
|
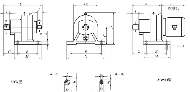
ZBW、ZBWD
|
||||||||||||||
|
0
|
1
|
2
|
3
|
4
|
5
|
6
|
7
|
8
|
9
|
10
|
11
|
12
|
||
|
H
|
146.5
|
175
|
175
|
240
|
275
|
356
|
425
|
460
|
529
|
614
|
706
|
883
|
1163
|
|
|
M
|
84
|
120
|
120
|
150
|
195
|
260
|
335
|
380
|
440
|
560
|
600
|
810
|
1040
|
|
|
N
|
144
|
180
|
210
|
290
|
330
|
420
|
430
|
470
|
530
|
620
|
690
|
880
|
1160
|
|
|
DC
|
113
|
150
|
150
|
200
|
230
|
300
|
340
|
360
|
430
|
500
|
580
|
710
|
990
|
|
|
A
|
84
|
159
|
159
|
192
|
240
|
310
|
352
|
390
|
448
|
552
|
612
|
809
|
1154
|
|
|
L1
|
125
|
202
|
214
|
266
|
320
|
416
|
476
|
529
|
600
|
723
|
813
|
1065
|
1462
|
|
|
安裝尺寸
|
C
|
80
|
100
|
100
|
140
|
150
|
160
|
200
|
220
|
250
|
290
|
325
|
420
|
540
|
|
G
|
36
|
60
|
101
|
151
|
169
|
206
|
125
|
145
|
155
|
186
|
230
|
324
|
485
|
|
|
R
|
10
|
12
|
15
|
20
|
22
|
25
|
30
|
30
|
35
|
40
|
45
|
50
|
60
|
|
|
E
|
60
|
90
|
90
|
100
|
145
|
150
|
275
|
320
|
380
|
480
|
500
|
330×2
|
420×2
|
|
|
F
|
120
|
150
|
180
|
250
|
290
|
370
|
380
|
420
|
480
|
560
|
630
|
800
|
1050
|
|
|
n-d
|
4-10
|
4-12
|
4-12
|
4-16
|
4-16
|
4-16
|
4-22
|
4-22
|
4-22
|
4-26
|
4-30
|
6-32
|
6-45
|
|
|
b1
|
4
|
5
|
5
|
6
|
6
|
8
|
10
|
12
|
14
|
14
|
16
|
20
|
25
|
|
|
h1
|
11.5
|
17
|
17
|
20.5
|
24.5
|
33
|
38
|
43
|
48.5
|
53.5
|
60
|
76
|
95
|
|
|
D1
|
10
|
15
|
15
|
18
|
22
|
30
|
35
|
40
|
45
|
50
|
55
|
70
|
90
|
|
|
l1
|
15
|
25
|
25
|
35
|
40
|
45
|
54
|
65
|
70
|
80
|
100
|
120
|
150
|
|
|
b
|
5
|
8
|
8
|
10
|
14
|
16
|
18
|
22
|
25
|
28
|
28
|
32
|
45
|
|
|
h
|
16
|
31
|
28
|
38
|
48.5
|
59
|
69
|
85
|
95
|
106
|
116
|
137
|
190
|
|
|
D
|
14
|
25
|
25
|
35
|
45
|
55
|
65
|
80
|
90
|
100
|
110
|
130
|
180
|
|
|
l
|
20
|
35
|
34
|
55
|
74
|
91
|
89
|
109
|
120
|
141
|
150
|
202
|
330
|
|