
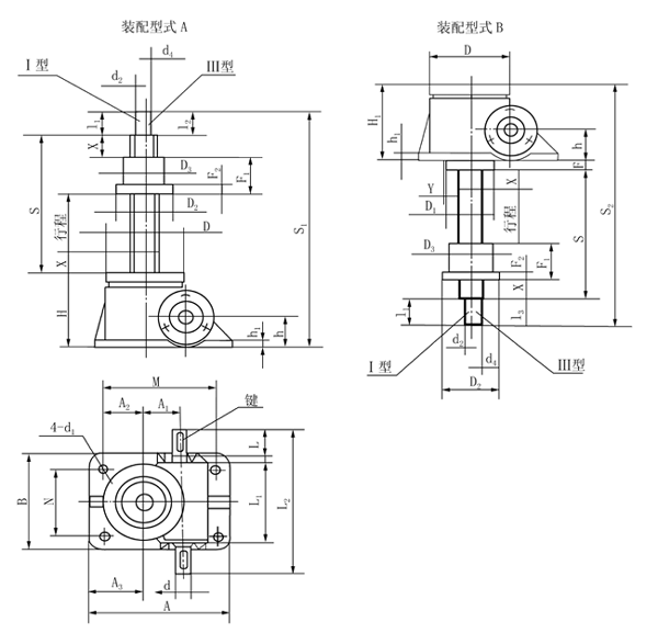
|
型號
|
QWL2.5
|
QWL5
|
QWL10
QWL15
|
QWL 20
|
QWL 25
|
QWL 35
|
QWL50
|
QWL100
|
QWL120
|
||
|
S
|
行程+85
|
行程+100
|
行程+125
|
行程+150
|
行程+170
|
行程+205
|
行程+250
|
行程+320
|
行程+330
|
||
|
S1
|
行程+215
|
行程+270
|
行程+335
|
行程+404
|
行程+476
|
行程+535
|
行程+603
|
行程+815
|
行程+845
|
||
|
S2
|
行程+238.5
|
行程+300
|
行程+359
|
行程+430
|
行程+513
|
行程+580
|
行程+685
|
行程+880
|
行程+910
|
||
|
A
|
165
|
212
|
235
|
295
|
350
|
430
|
475
|
526
|
526
|
||
|
B
|
120
|
155
|
200
|
215
|
260
|
280
|
500
|
622
|
622
|
||
|
M
|
135
|
168
|
190
|
240
|
280
|
360
|
385
|
412
|
412
|
||
|
N
|
90
|
114
|
155
|
160
|
190
|
210
|
406
|
508
|
508
|
||
|
H
|
100
|
131
|
160
|
194
|
226
|
250
|
290
|
375
|
375
|
||
|
H1
|
97
|
131
|
150
|
181
|
211
|
250
|
280
|
360
|
360
|
||
|
h
|
45
|
61.5
|
70
|
87
|
102
|
115
|
121
|
155
|
155
|
||
|
h1
|
12
|
14
|
16
|
20
|
25
|
30
|
32
|
38
|
42
|
||
|
d(k6)
|
16
|
20
|
25
|
28
|
32
|
38
|
38
|
45
|
48
|
||
|
d1
|
14
|
17
|
21
|
28
|
35
|
35
|
45
|
48
|
48
|
||
|
鍵GB1096
|
5×5×32
|
6×6×32
|
8×7×45
|
8×7×45
|
10×8×50
|
10×8×70
|
10×8×90
|
14×9×100
|
14×9×100
|
||
|
L
|
—
|
—
|
42
|
42
|
58
|
80
|
105
|
100
|
100
|
||
|
L1
|
110.5
|
132
|
172
|
213.5
|
221
|
265
|
310
|
380
|
380
|
||
|
L2
|
190
|
228
|
280
|
322
|
355
|
430
|
558
|
610
|
610
|
||
|
D
|
98
|
122
|
150
|
185
|
205
|
260
|
300
|
420
|
420
|
||
|
D1
|
68
|
83
|
110
|
140
|
160
|
180
|
200
|
260
|
260
|
||
|
A1
|
45.2
|
56.2
|
66.8
|
72.5
|
97
|
120
|
135
|
190
|
190
|
||
|
A2
|
50
|
58
|
63.5
|
95
|
95
|
135
|
80
|
146
|
146
|
||
|
A3
|
65
|
80
|
86
|
122.5
|
130
|
170
|
125
|
203
|
203
|
||
|
F
|
26.5
|
30
|
34
|
39
|
52
|
45
|
65
|
80
|
80
|
||
|
安全裕度X
|
20
|
20
|
25
|
25
|
25
|
30
|
40
|
50
|
50
|
||
|
Y
|
3
|
3
|
1
|
3
|
3
|
4
|
5
|
6
|
6
|
||
|
活動螺母
|
D2
|
80
|
87
|
110
|
120
|
155
|
190
|
220
|
300
|
330
|
|
|
D3(K6)
|
50
|
70
|
90
|
90
|
130
|
150
|
180
|
240
|
260
|
||
|
F1
|
45
|
60
|
75
|
100
|
120
|
145
|
170
|
220
|
270
|
||
|
F2
|
15
|
18
|
25
|
30
|
35
|
35
|
50
|
70
|
80
|
||
|
絲杠頭部型式
|
Ⅰ
|
d2(k6)
|
20
|
25
|
40
|
50
|
70
|
80
|
95
|
130
|
150
|
|
I1
|
30
|
40
|
50
|
60
|
80
|
80
|
90
|
120
|
140
|
||
|
Ⅱ
|
d4
|
M22×1.5-6g
|
M30×2-6g
|
M42×2-6g
|
M48×2-6g
|
M70×3-6g
|
M80×3-6g
|
M95×3-6g
|
M130×4-6g
|
M150×4-6g
|
|
|
I3
|
|
39
|
50
|
60
|
63
|
80
|
90
|
120
|
140
|
||