KF77減速機系列斜齒輪-弧齒錐齒輪減速電機的產品簡介及使用范圍
KF77減速機系列斜齒輪弧齒錐齒輪減速電機安裝形式圖例
各種安裝形式定義為:

GK77減速機/GKAB77減速機系列斜齒輪弧齒錐齒輪減速電機安裝形式圖

GKF77減速機/GKAF77減速機系列斜齒輪弧齒錐齒輪減速電機安裝形式圖

GKAT77減速機/GKA77減速機系列斜齒輪弧齒錐齒輪減速電機安裝形式圖

GKF77減速機系列斜齒輪弧齒錐齒輪減速電機型號表示法及型號示例


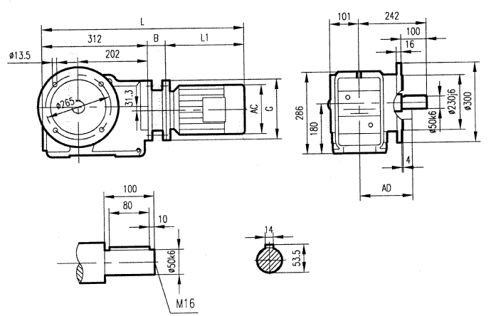
GKF77減速機安裝尺寸圖/K型斜齒輪弧齒錐齒輪減速電機安裝結構圖尺寸

|
電機機座號
|
63
|
71
|
80
|
90S
|
90L
|
100L
|
112M
|
132S
|
132M
|
160M
|
|
AC
|
130
|
145
|
175
|
195
|
195
|
215
|
240
|
275
|
275
|
330
|
|
AD
|
70
|
80
|
145
|
155
|
155
|
180
|
190
|
210
|
210
|
255
|
|
B
|
44.5
|
50
|
70
|
70
|
70
|
75
|
75
|
96.5
|
96.5
|
125
|
|
G
|
140
|
160
|
200
|
200
|
200
|
250
|
250
|
300
|
300
|
350
|
|
L1
|
207
|
225
|
255
|
270
|
295
|
325
|
340
|
390
|
430
|
505
|
|
L
|
563.5
|
587
|
637
|
652
|
677
|
712
|
727
|
798.5
|
838.5
|
942
|