YTH型外裝減速滾筒產品特點
YTH型外裝式減速滾筒采用引進德國 的電動滾筒生產技術,硬齒面行星齒輪傳動,運行平穩(wěn)。噪音低、過載能力強,功率范圍大,可配置液力偶合器、逆止器,可配隔爆電機,適用作各種惡劣環(huán)境下及有隔爆要求的大中型帶式輸送機的驅動裝置。

|
型 號
|
名 稱
|
功率(KW)
|
|
![]() |
YTH-I G
|
2.2-250
|
|
|
YTH-I Y
|
|||
|
YTHN-I G
|
|||
|
YTHN-I Y
|
|||
|
YTHZ-I G
|
|||
|
YTHZ-I Y
|
|||
|
YTHNd-I G
|
18.5-250
|
||
|
YTHNd-I Y
|
|
YTH-II 型立式電機型
|
型 號
|
名 稱
|
功率(KW)
|
![]() |
YTH-II
|
立式電機型
|
2.2-37
|
|
YTHN-II
|
|
型 號
|
名 稱
|
功率(KW)
|
|
![]() |
YTH-III G
|
18.5-160
|
|
|
YTH-III Y
|
|||
|
YTHN-III G
|
|||
|
YTHNd-III G
|
|||
|
YTHN-III Y
|
|||
|
YTHNd-III Y
|
|||
|
YTHZ-III G
|
|
隔 爆 型
|
型 號
|
備 注
|
|
YTH-B
|
|
||||||||||||||||||||||||||||||||||||||||||||||||||||||||||||||||||||||||||||||||||||||||||||||||||||||||||||||||||||||||||||||||||||||||||||||||||||||||||||||||||||||||||||||||||||||||||||||||||||||||||||||||||||||||||||||||||||||||||||||||||||||||||||||||||||||||||||||||||||||||||||||||||||||||||||||||||||||||

|
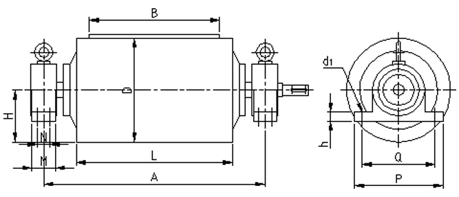
D(mm)
|
B
|
A
|
L
|
H
|
M
|
N
|
P
|
Q
|
h
|
d1
|
|
Ø400
|
500
|
850
|
600
|
120
|
90
|
-
|
340
|
280
|
35
|
Ø27
|
|
650
|
1000
|
750
|
120
|
90
|
-
|
340
|
280
|
35
|
Ø27
|
|
|
Ø500
|
500
|
850
|
620
|
100
|
70
|
-
|
340
|
280
|
35
|
Ø27
|
|
650
|
1000
|
750
|
120
|
90
|
-
|
340
|
280
|
35
|
Ø27
|
|
|
800
|
1300
|
950
|
120
|
90
|
-
|
340
|
280
|
35
|
Ø27
|
|
|
Ø630
|
650
|
1000
|
750
|
120
|
90
|
-
|
340
|
280
|
35
|
Ø27
|
|
800
|
1300
|
950
|
140
|
130
|
80
|
400
|
330
|
35
|
Ø27
|
|
|
1000
|
1500
|
1150
|
140
|
130
|
80
|
400
|
330
|
35
|
Ø27
|
|
|
1200
|
1750
|
1400
|
160
|
160
|
90
|
440
|
360
|
50
|
Ø34
|
|
|
1400
|
2000
|
1600
|
160
|
160
|
90
|
440
|
360
|
50
|
Ø34
|
|
|
Ø800
|
800
|
1300
|
950
|
140
|
130
|
80
|
400
|
330
|
35
|
Ø27
|
|
1000
|
1500
|
1150
|
140
|
130
|
80
|
400
|
330
|
35
|
Ø27
|
|
|
1200
|
1750
|
1400
|
160
|
160
|
90
|
440
|
360
|
50
|
Ø34
|
|
|
1400
|
2000
|
1600
|
160
|
160
|
90
|
440
|
360
|
50
|
Ø34
|
|
|
1600
|
2250
|
1800
|
160
|
160
|
90
|
440
|
360
|
50
|
Ø34
|
|
|
Ø800
(>160KW)
|
800
|
1300
|
950
|
180
|
200
|
105
|
600
|
520
|
60
|
Ø40
|
|
1000
|
1500
|
1150
|
180
|
200
|
105
|
600
|
520
|
60
|
Ø40
|
|
|
1200
|
1750
|
1400
|
180
|
200
|
105
|
600
|
520
|
60
|
Ø40
|
|
|
1400
|
2000
|
1600
|
180
|
200
|
105
|
600
|
520
|
60
|
Ø40
|
|
|
1600
|
2250
|
1800
|
180
|
200
|
105
|
600
|
520
|
60
|
Ø40
|
|
|
Ø1000
|
1000
|
1500
|
1150
|
145
|
140
|
80
|
400
|
330
|
50
|
Ø27
|
|
1200
|
1750
|
1400
|
160
|
160
|
90
|
440
|
360
|
50
|
Ø34
|
|
|
1400
|
2000
|
1600
|
160
|
160
|
90
|
440
|
360
|
50
|
Ø34
|
|
|
1600
|
2250
|
1800
|
160
|
160
|
90
|
440
|
360
|
50
|
Ø34
|
|
|
Ø1000
(>160KW)
|
1000
|
1500
|
1150
|
200
|
180
|
105
|
600
|
520
|
60
|
Ø40
|
|
1200
|
1750
|
1400
|
200
|
180
|
105
|
600
|
520
|
60
|
Ø40
|
|
|
1400
|
2000
|
1600
|
200
|
180
|
105
|
600
|
520
|
60
|
Ø40
|
|
|
1600
|
2250
|
1800
|
200
|
180
|
105
|
600
|
520
|
60
|
Ø40
|