MC系列多面安裝圓弧圓柱蝸桿減速機特點型號標示
m.xuexigo.cn 格魯夫機械 2015-06-15 20:06:07
點擊:
多面安裝圓弧圓柱蝸桿減速機概述

|
|
1
|
2
|
3
|
4
|
5
|
6
|
7
|
8
|
9
|
10
|
11
|
12
|
|
i
|
5
|
6.3
|
8
|
10
|
12.5
|
16
|
20
|
25
|
31.5
|
40
|
50
|
63
|

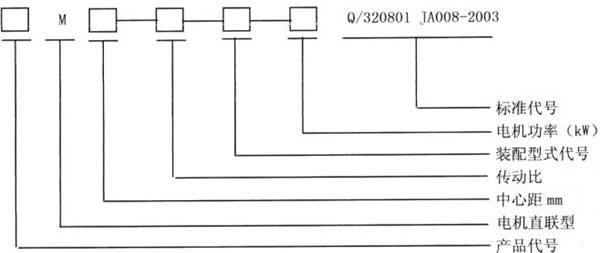
4 標記方法
5 標記示例
a MC200-10 Q/320801 JA008-2003
b MCM200-10-X-22 Q/320801 JA008-2003
c MSC200-10-Ⅵ Q/320801 JA008-2003
d MSCM200-10-Ⅶ-22 Q/320801 JA008-2003